Call us:
91-7104-232081

Home >> Valves >> Gate Valves >> Forged Gate Valve

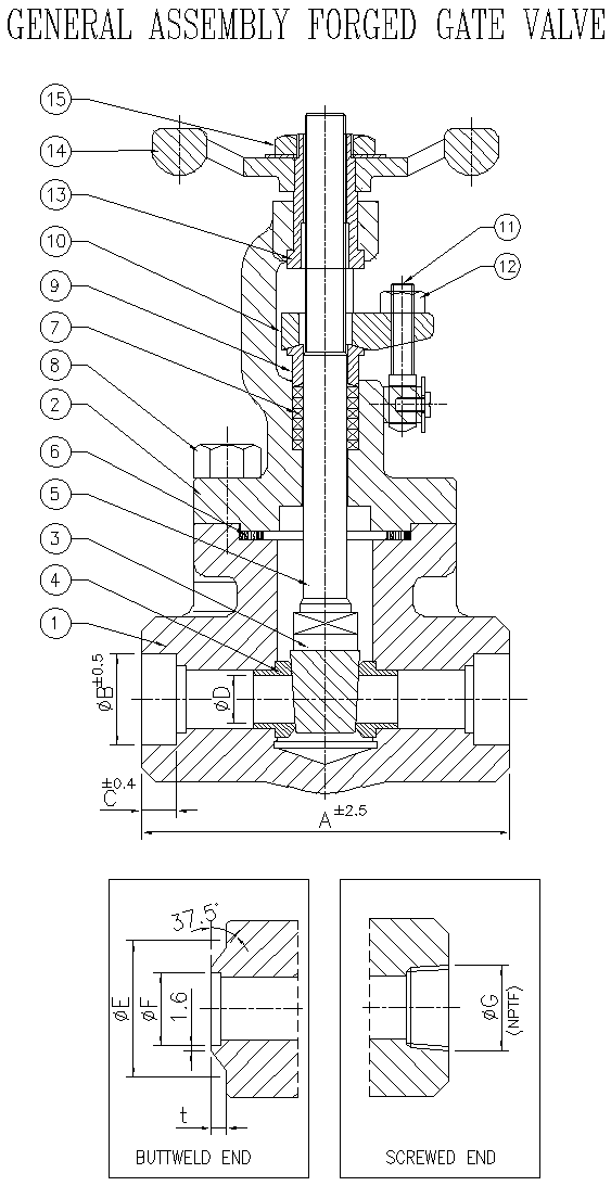
Forged Gate Valves

Location

JMD Engineering
S - 21, M.I.D.C. Industrial Area,
Hingna Road, Nagpur - 440 016.
Maharashtra, India
Phone : 91-7104-232081
Phone : +91 9422102453
Email : Contact JMD Engineering
 Like Us on Facebook

© 2026 | JMD Engineering, All rights reserved.